Новый комплексный пилотажный прибор Garmin G5

Авионика, приборы, датчики ЛА, GPS - навигация, тюнинг самолета, тюнинг вертолета, примочки для вашего ВС

Модераторы: 502, smixer, lt.ak, vova_k

Сообщение
Автор
Beer100
SAONовец со стажем
Сообщения: 150
Зарегистрирован: 24 ноя 2018, 14:56
Member of AOPA: No
Летаю на:: Diamond

Новый комплексный пилотажный прибор Garmin G5

#46 Сообщение Beer100 » 11 апр 2020, 22:40

Замечание: "формальные разделы" не корректировались после машинного перевода.
Вложения
G5 инструкция-рус.pdf
(1.74 МБ) 361 скачивание

telnov
Новичок
Сообщения: 23
Зарегистрирован: 25 июн 2009, 16:42

Новый комплексный пилотажный прибор Garmin G5

#47 Сообщение telnov » 18 апр 2020, 05:57

Установил себе два G5 магнетометр, датчик температуры, и AP. Все настроил, все работает прекрасно, считает tas и ветер. Готов помочь ответами. Кстати вышла новая версия мануала, в котором расписаны все новые функции
Вложения
20200414_210715.jpg

Beer100
SAONовец со стажем
Сообщения: 150
Зарегистрирован: 24 ноя 2018, 14:56
Member of AOPA: No
Летаю на:: Diamond

Новый комплексный пилотажный прибор Garmin G5

#48 Сообщение Beer100 » 13 май 2020, 09:41

Датчик температуры и магнитометр ставил родные или сторонних производителей?

telnov
Новичок
Сообщения: 23
Зарегистрирован: 25 июн 2009, 16:42

Новый комплексный пилотажный прибор Garmin G5

#49 Сообщение telnov » 13 май 2020, 22:36

Ставил родные gad13 и gmu11. А как сторонних производителей можно поставить?

Beer100
SAONовец со стажем
Сообщения: 150
Зарегистрирован: 24 ноя 2018, 14:56
Member of AOPA: No
Летаю на:: Diamond

Новый комплексный пилотажный прибор Garmin G5

#50 Сообщение Beer100 » 14 май 2020, 09:49

Ну, мало ли...
Внешнюю GPS антенну я поставил не родную. Работает отлично.

telnov
Новичок
Сообщения: 23
Зарегистрирован: 25 июн 2009, 16:42

Новый комплексный пилотажный прибор Garmin G5

#51 Сообщение telnov » 15 май 2020, 23:16

Так и у меня антенна хз кто производитель

Beer100
SAONовец со стажем
Сообщения: 150
Зарегистрирован: 24 ноя 2018, 14:56
Member of AOPA: No
Летаю на:: Diamond

Новый комплексный пилотажный прибор Garmin G5

#52 Сообщение Beer100 » 16 май 2020, 11:30

К внешнему источнику GPS подключал? У меня GNS430 стоит. Думаю от него по rs232 подкинуть данные на Г5.

Lebovect
SAONовец со стажем
Сообщения: 186
Зарегистрирован: 27 фев 2013, 10:16
Member of AOPA: No

Новый комплексный пилотажный прибор Garmin G5

#53 Сообщение Lebovect » 16 май 2020, 15:33

Скажите пожалуйста, а вы их покупали как для сертифицированной техники или для эсперементалов, цена там вдвое разнится

Beer100
SAONовец со стажем
Сообщения: 150
Зарегистрирован: 24 ноя 2018, 14:56
Member of AOPA: No
Летаю на:: Diamond

Новый комплексный пилотажный прибор Garmin G5

#54 Сообщение Beer100 » 17 май 2020, 01:13

Разнится. Я покупал сертифицированный.

telnov
Новичок
Сообщения: 23
Зарегистрирован: 25 июн 2009, 16:42

Новый комплексный пилотажный прибор Garmin G5

#55 Сообщение telnov » 19 май 2020, 12:49

Покупал для experemental. разница в цене и более скромном фунционале. сертифицированный урезанный.
Для подключения GNS430 нужен GAD29, 430 использует сразу несколько протоколов обмена данными, по аринк429 только возможен заход на автомате при наличии автопилота.

Beer100
SAONовец со стажем
Сообщения: 150
Зарегистрирован: 24 ноя 2018, 14:56
Member of AOPA: No
Летаю на:: Diamond

Новый комплексный пилотажный прибор Garmin G5

#56 Сообщение Beer100 » 19 май 2020, 13:24

Я так понимаю, не нужен gad29. Вот вариант подключения через rs232
Вложения
Без.png

Beer100
SAONовец со стажем
Сообщения: 150
Зарегистрирован: 24 ноя 2018, 14:56
Member of AOPA: No
Летаю на:: Diamond

Новый комплексный пилотажный прибор Garmin G5

#57 Сообщение Beer100 » 19 май 2020, 13:29

И, кстати, не могу найти, что в моем сертифицированном "урезано". Не знаешь, что именно?

telnov
Новичок
Сообщения: 23
Зарегистрирован: 25 июн 2009, 16:42

Новый комплексный пилотажный прибор Garmin G5

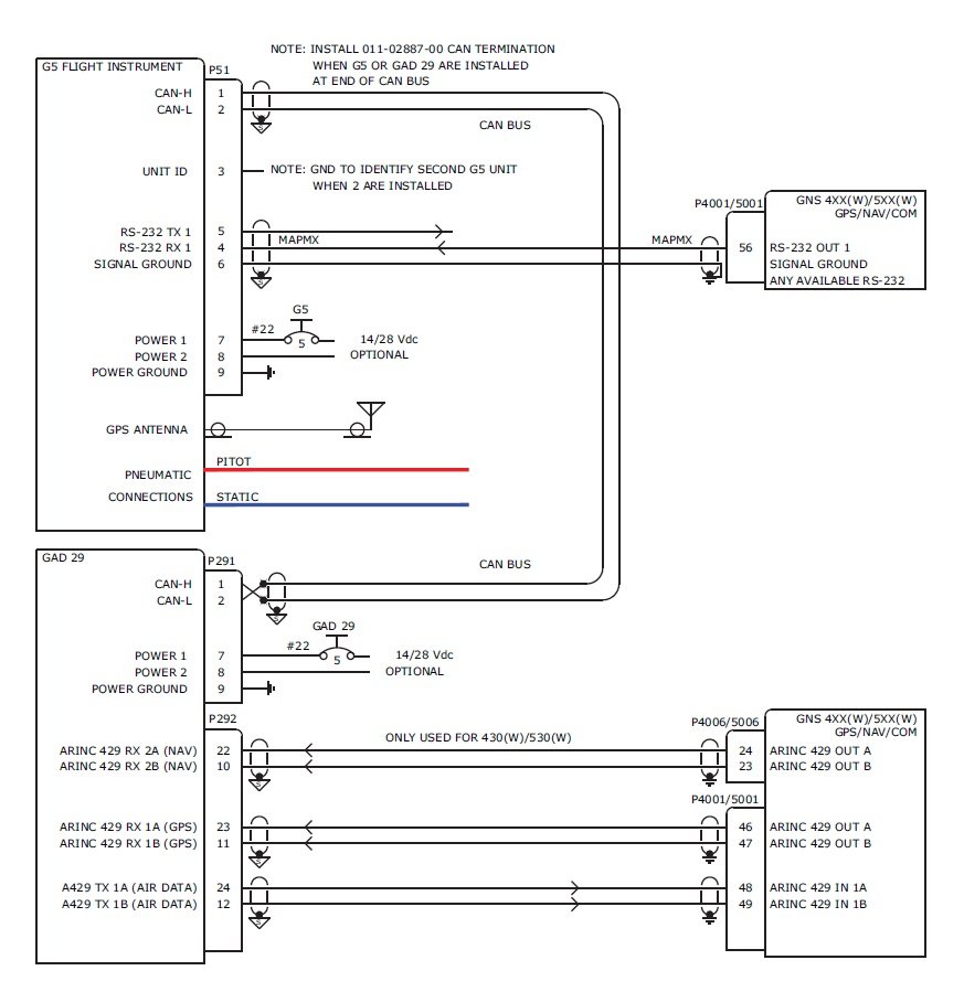
#58 Сообщение telnov » 27 май 2020, 07:21

это часть схемы. тут видно GNS только передает данные (скорее всего данные GPS), но он может передавать vor, loc, g\s, и принимать должен.
тут более полная схема.
отличия? хз надо сравнивать. твой может режим HSI показывать? и проверь протокол NMEA есть?
Вложения
222.jpg

Beer100
SAONовец со стажем
Сообщения: 150
Зарегистрирован: 24 ноя 2018, 14:56
Member of AOPA: No
Летаю на:: Diamond

Новый комплексный пилотажный прибор Garmin G5

#59 Сообщение Beer100 » 27 май 2020, 10:20

Да, HSI есть конечно. А как проверить протокол NMEA?

telnov
Новичок
Сообщения: 23
Зарегистрирован: 25 июн 2009, 16:42

Новый комплексный пилотажный прибор Garmin G5

#60 Сообщение telnov » 27 май 2020, 23:40

В настройках подключения сом порт, выбрать протокол

Ответить

Вернуться в «Авионика, Тюнинг, Примочки, Доп. баки, Спас. системы»