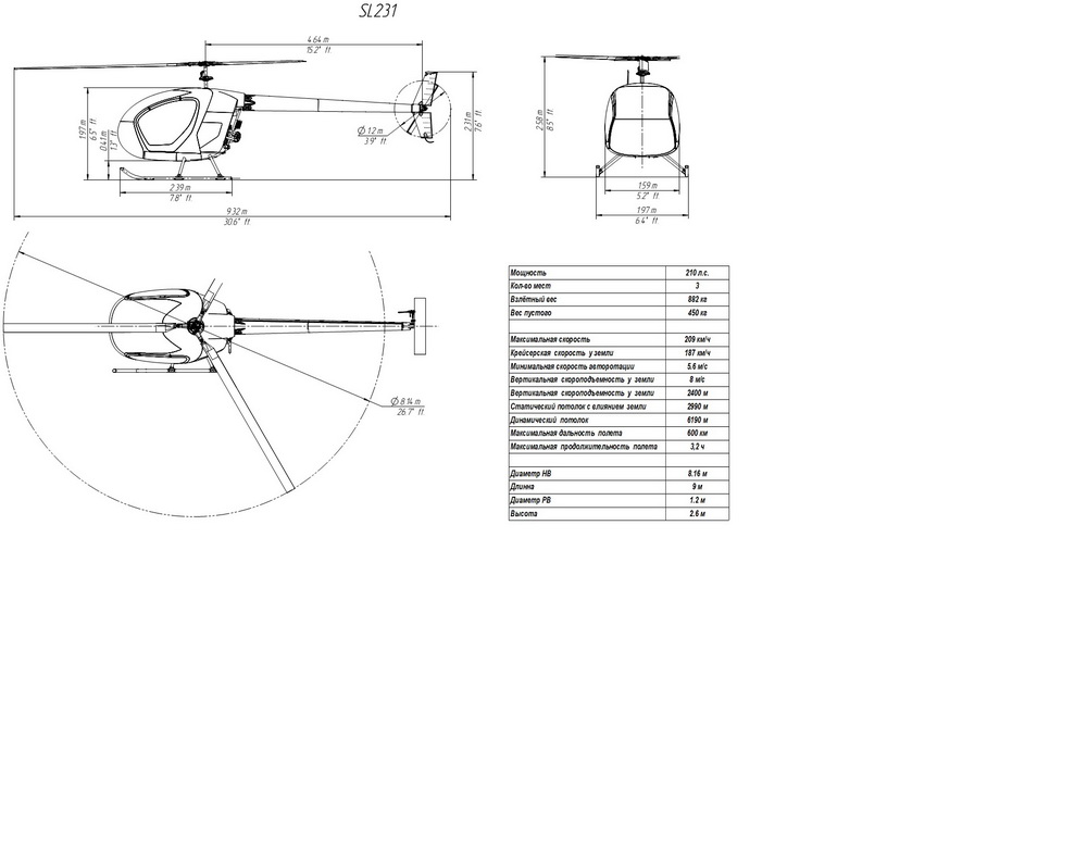
Взлетел новый вертолет SL-231 Scout
Модераторы: 502, smixer, lt.ak, vova_k, ЛОДОЧНИК
Re: Взлетел новый вертолет SL-231 Scout
Спасибо! Интересно! Поздравляю команду, которая это сделала.
А можно поподробнее? Кто, где сделал? Творческие планы? Когда будет сертифицирован. Где? Сколько будет стоить? Тип силовой установки?
Спасибо
А можно поподробнее? Кто, где сделал? Творческие планы? Когда будет сертифицирован. Где? Сколько будет стоить? Тип силовой установки?
Спасибо
Re: Взлетел новый вертолет SL-231 Scout
Изящно! Похоже на Швайцер-300. Где и как попробовать?
В критической ситуации ты никогда не воспаришь на уровень своих ожиданий - ты неизбежно провалишься на уровень своей натренированности (с)
Re: Взлетел новый вертолет SL-231 Scout
ООО "Горизонт-12", Киев ... или SkyLine ...rubaga писал(а):... Кто, где сделал? ...
rubaga писал(а):... Творческие планы? Когда будет сертифицирован. Где? ...
... пока не планируется сертифицировать, будет Experiemental для пилотов-любителей. ...
rubaga писал(а):... Сколько будет стоить? ...
Стоимость аппарата 195 тыс. $
rubaga писал(а):... Тип силовой установки? ...
далее... На данном аппарате установлен Lycoming IO-390. ...
... Двигатель Lycoming 390 или 360 ...
AIM 4-1-9 (g)(1) ... "Traffic in the area, please advise" is not a recognized Self-Announce Position and/or Intention phrase and should not be used under any condition.
Failure to comply with this warning will result in future warnings.
Failure to comply with this warning will result in future warnings.
Re: Взлетел новый вертолет SL-231 Scout
https://www.youtube.com/watch?v=W0ye5CZRJxM
Да похож на Швайцер 300, но на 50 кг легче, на40л.с. более мощный,
просторная кабина. 2-х метровый генеральный чувствует себя комфортно...
Под него и делали.
Может в ущерб пару км скорости, но комфорт превыше всего...
Да похож на Швайцер 300, но на 50 кг легче, на40л.с. более мощный,
просторная кабина. 2-х метровый генеральный чувствует себя комфортно...
Под него и делали.
Может в ущерб пару км скорости, но комфорт превыше всего...
Re: Взлетел новый вертолет SL-231 Scout
Вопрос останется без ответа?Misha писал(а):Где и как попробовать?
В критической ситуации ты никогда не воспаришь на уровень своих ожиданий - ты неизбежно провалишься на уровень своей натренированности (с)
Re: Взлетел новый вертолет SL-231 Scout
Давно интересует вопрос о стоимости вертолётов. Если сравнить её с автомобилем, то цена на последний гораздо ниже, чем цены на винтокрылые машины, при соотношении масса - цена, или килограмм изделия. Слышал так же возражения на этот счёт, владельцев вертолётов Робинсон, что изготовлены мол они очень качественно, каждая деталь чуть ли не ручной сборки. Но с точки зрения технологий, и используемых материалов, для завода не будет никакой разницы изготовить, автомобиль либо вертолёт. Тогда получается, что дороже вертолёт только потому, что является мелкосерийным изделием, в отличие от продукции автоконцернов? И что теоретически, возможно снижение цены на винтокрылую машину, до цены обычного автомобиля?lt.ak писал(а):rubaga писал(а):... Сколько будет стоить? ...Стоимость аппарата 195 тыс. $
Re: Взлетел новый вертолет SL-231 Scout
Хм... Помнится, читал где-то, что Билл Гейтс якобы сказал: если бы автопром развивался такими темпами, как компьютерные технологии, то сегодня автомобиль стоил бы 1 доллар, потреблял бы рюмку топлива на 100 км пути и развивал 500 км/час.
Ну или как-то в этом роде...
Ну или как-то в этом роде...
В критической ситуации ты никогда не воспаришь на уровень своих ожиданий - ты неизбежно провалишься на уровень своей натренированности (с)
Re: Взлетел новый вертолет SL-231 Scout
А если задуматься о стоимости ракеты-носителя Союз во всех ее ипостасях и посчитать на стоимость килограмма применительно к китайской пиротехнике, то проще сразу пойти и повеситься:)))))
Зы : роллс-ройс стоит не сильно меньше при всей его достаточной мощности и опупенном комфорте, но, даже если обгадится, с пилотом формулы один за рулем, не довезет вас из крокуса в буньково за то время, за которое вы туда доберетесь вертолетом:)
Зы : роллс-ройс стоит не сильно меньше при всей его достаточной мощности и опупенном комфорте, но, даже если обгадится, с пилотом формулы один за рулем, не довезет вас из крокуса в буньково за то время, за которое вы туда доберетесь вертолетом:)
Re: Взлетел новый вертолет SL-231 Scout
Про цену скажу так: " вполне адекватная..."
2-х местный Робинсон -22 стоит $220000
Попробовать и посмотреть можно в Киеве, Украина...
С удовольствием встретим , покажу производство.
Если станет вопрос покупки можно через Белорусию или
получить консультацию у тех, кто уже купил в Украине
Подробнее могу в личку...
Да, прятно, движок адаптирован под МОГАЗ...
2-х местный Робинсон -22 стоит $220000
Попробовать и посмотреть можно в Киеве, Украина...
С удовольствием встретим , покажу производство.
Если станет вопрос покупки можно через Белорусию или
получить консультацию у тех, кто уже купил в Украине
Подробнее могу в личку...
Да, прятно, движок адаптирован под МОГАЗ...
Re: Взлетел новый вертолет SL-231 Scout
Японская газета Nikkei опубликовала заметку, в которой сказано, что крупнейшим японским автопроизводителем по итогам августа 2011 года стала корпорация Toyota, выпустившая 265,6 тысячи машин
вообщем да, если бы мировой рынок смог бы принять 265 тыс вертолетов робинсонов в год
то цена Р44 была бы на уровне 200 крузера.
но это не реально, рынок не может переварить 265 тыс вертолетов в год даже по цене 100 тыс дол за штуку, (цена в России)
вертолет слишком специфичное транспортное средство по сравнении с автомобилем что бы принять массовый характер как автомобиль
и пока это будет мелкосерийный производством, не конвеер, то и цена будет как за ручную сборку
вообщем да, если бы мировой рынок смог бы принять 265 тыс вертолетов робинсонов в год
то цена Р44 была бы на уровне 200 крузера.
но это не реально, рынок не может переварить 265 тыс вертолетов в год даже по цене 100 тыс дол за штуку, (цена в России)
вертолет слишком специфичное транспортное средство по сравнении с автомобилем что бы принять массовый характер как автомобиль
и пока это будет мелкосерийный производством, не конвеер, то и цена будет как за ручную сборку
БЕЗОПАСНОСТЬ....., ХОРОШАЯ ПРИВЫЧКА.
Re: Взлетел новый вертолет SL-231 Scout
На самолеты, вертолеты цена конъюнктурная...
Re: Взлетел новый вертолет SL-231 Scout
базовая пока $279,000 ... с февраля наверное будет порядка $290,000 ...orkaan писал(а):... 2-х местный Робинсон -22 стоит $220000 ...
AIM 4-1-9 (g)(1) ... "Traffic in the area, please advise" is not a recognized Self-Announce Position and/or Intention phrase and should not be used under any condition.
Failure to comply with this warning will result in future warnings.
Failure to comply with this warning will result in future warnings.