Новый комплексный пилотажный прибор Garmin G5

Авионика, приборы, датчики ЛА, GPS - навигация, тюнинг самолета, тюнинг вертолета, примочки для вашего ВС

Модераторы: 502, smixer, lt.ak, vova_k

Beer100
SAONовец со стажем
Сообщения: 150
Зарегистрирован: 24 ноя 2018, 14:56
Member of AOPA: No
Летаю на:: Diamond

Новый комплексный пилотажный прибор Garmin G5

Сообщение Beer100 »

Замечание: "формальные разделы" не корректировались после машинного перевода.
Вложения
G5 инструкция-рус.pdf
(1.74 МБ) 357 скачиваний
telnov
Новичок
Сообщения: 23
Зарегистрирован: 25 июн 2009, 16:42

Новый комплексный пилотажный прибор Garmin G5

Сообщение telnov »

Установил себе два G5 магнетометр, датчик температуры, и AP. Все настроил, все работает прекрасно, считает tas и ветер. Готов помочь ответами. Кстати вышла новая версия мануала, в котором расписаны все новые функции
Вложения
20200414_210715.jpg
Beer100
SAONовец со стажем
Сообщения: 150
Зарегистрирован: 24 ноя 2018, 14:56
Member of AOPA: No
Летаю на:: Diamond

Новый комплексный пилотажный прибор Garmin G5

Сообщение Beer100 »

Датчик температуры и магнитометр ставил родные или сторонних производителей?
telnov
Новичок
Сообщения: 23
Зарегистрирован: 25 июн 2009, 16:42

Новый комплексный пилотажный прибор Garmin G5

Сообщение telnov »

Ставил родные gad13 и gmu11. А как сторонних производителей можно поставить?
Beer100
SAONовец со стажем
Сообщения: 150
Зарегистрирован: 24 ноя 2018, 14:56
Member of AOPA: No
Летаю на:: Diamond

Новый комплексный пилотажный прибор Garmin G5

Сообщение Beer100 »

Ну, мало ли...
Внешнюю GPS антенну я поставил не родную. Работает отлично.
telnov
Новичок
Сообщения: 23
Зарегистрирован: 25 июн 2009, 16:42

Новый комплексный пилотажный прибор Garmin G5

Сообщение telnov »

Так и у меня антенна хз кто производитель
Beer100
SAONовец со стажем
Сообщения: 150
Зарегистрирован: 24 ноя 2018, 14:56
Member of AOPA: No
Летаю на:: Diamond

Новый комплексный пилотажный прибор Garmin G5

Сообщение Beer100 »

К внешнему источнику GPS подключал? У меня GNS430 стоит. Думаю от него по rs232 подкинуть данные на Г5.
Lebovect
SAONовец со стажем
Сообщения: 186
Зарегистрирован: 27 фев 2013, 10:16
Member of AOPA: No

Новый комплексный пилотажный прибор Garmin G5

Сообщение Lebovect »

Скажите пожалуйста, а вы их покупали как для сертифицированной техники или для эсперементалов, цена там вдвое разнится
Beer100
SAONовец со стажем
Сообщения: 150
Зарегистрирован: 24 ноя 2018, 14:56
Member of AOPA: No
Летаю на:: Diamond

Новый комплексный пилотажный прибор Garmin G5

Сообщение Beer100 »

Разнится. Я покупал сертифицированный.
telnov
Новичок
Сообщения: 23
Зарегистрирован: 25 июн 2009, 16:42

Новый комплексный пилотажный прибор Garmin G5

Сообщение telnov »

Покупал для experemental. разница в цене и более скромном фунционале. сертифицированный урезанный.
Для подключения GNS430 нужен GAD29, 430 использует сразу несколько протоколов обмена данными, по аринк429 только возможен заход на автомате при наличии автопилота.
Beer100
SAONовец со стажем
Сообщения: 150
Зарегистрирован: 24 ноя 2018, 14:56
Member of AOPA: No
Летаю на:: Diamond

Новый комплексный пилотажный прибор Garmin G5

Сообщение Beer100 »

Я так понимаю, не нужен gad29. Вот вариант подключения через rs232
Вложения
Без.png
Beer100
SAONовец со стажем
Сообщения: 150
Зарегистрирован: 24 ноя 2018, 14:56
Member of AOPA: No
Летаю на:: Diamond

Новый комплексный пилотажный прибор Garmin G5

Сообщение Beer100 »

И, кстати, не могу найти, что в моем сертифицированном "урезано". Не знаешь, что именно?
telnov
Новичок
Сообщения: 23
Зарегистрирован: 25 июн 2009, 16:42

Новый комплексный пилотажный прибор Garmin G5

Сообщение telnov »

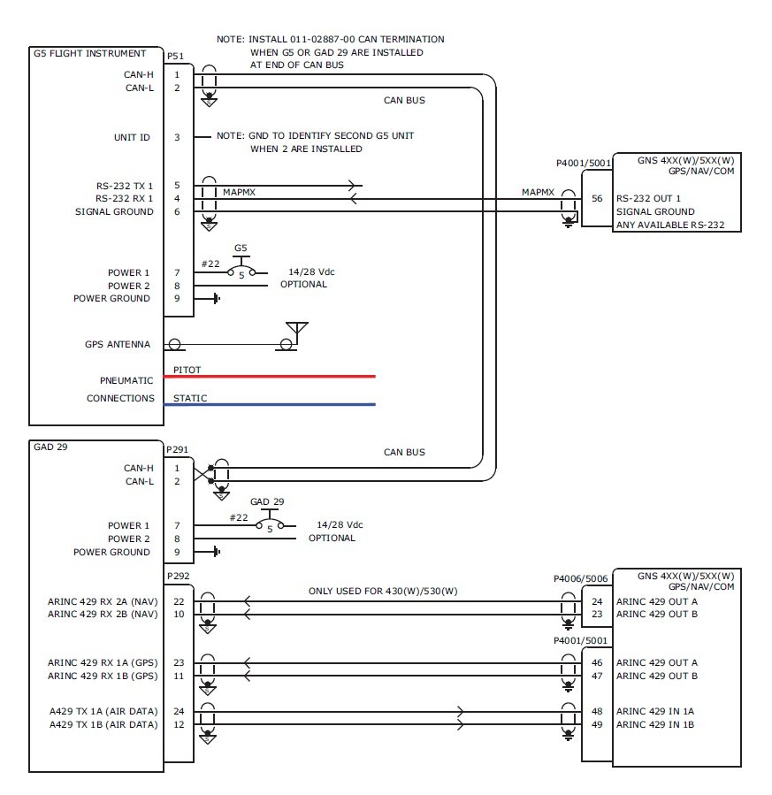
это часть схемы. тут видно GNS только передает данные (скорее всего данные GPS), но он может передавать vor, loc, g\s, и принимать должен.
тут более полная схема.
отличия? хз надо сравнивать. твой может режим HSI показывать? и проверь протокол NMEA есть?
Вложения
222.jpg
Beer100
SAONовец со стажем
Сообщения: 150
Зарегистрирован: 24 ноя 2018, 14:56
Member of AOPA: No
Летаю на:: Diamond

Новый комплексный пилотажный прибор Garmin G5

Сообщение Beer100 »

Да, HSI есть конечно. А как проверить протокол NMEA?
telnov
Новичок
Сообщения: 23
Зарегистрирован: 25 июн 2009, 16:42

Новый комплексный пилотажный прибор Garmin G5

Сообщение telnov »

В настройках подключения сом порт, выбрать протокол
Ответить

Вернуться в «Авионика, Тюнинг, Примочки, Доп. баки, Спас. системы»